CENTRALE 

De Centrale MDRRC is gemaakt door Robert Evers helaas staat deze niet meer op zijn site omdat hij is overgegaan naar de MDRRC II.


Echter de gehele documentatie inclusief documentatie en software zijn hier te downloaden.


In deze download zitten ook de ontwerpen van de oude printplaat etc.
Echter heb ik de Printplaat aangepast  met een ISP en een interface naar de booster en een acknowledge detector maar de werking is exact hetzelfde.

De bootloader zoals omschreven in de documentatie is niet echt nodig omdat er geen update's meer komen voor de software.
Dus kan de bijgevoegde hex file in versie mdrrc 4-40 meteen in de Mega 32 processor worden gezet. deze staat in de map mdrrc van de zip file.

Deze Centrale kan het DCC protocol en het MM protocol door elkaar gebruiken.

 

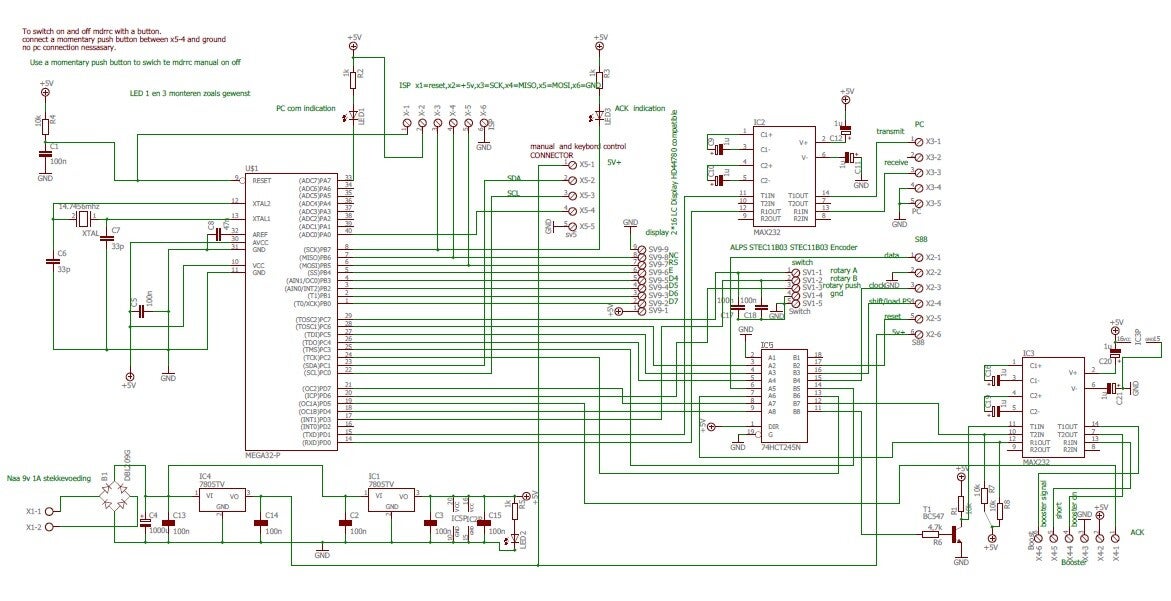
HIERONDER VIND JE DE AANGEPASTE PRINT VAN DE CONTROLLER

De beschrijving zoals in de orginele teks klopt nog steeds.
Waarbij een ISP op de print is toegevoegd de interface naar de booster en de acknowledge detectie. De atmega32 is ook los te programmeren zoals omschreven staat bij projecten / programmer zodat de software in een keer erop gezet kan worden,  de fuses moeten natuurlijk wel gezet worden zie Mdrrc manual.

De AVR is ook te programeren via de ISP let op de aansluitingen van de isp

Op deze aangepaste print is de aansluiting voor de RF (draadloze bediening) weggelaten.

In plaats hiervan is er de mogelijkheid gemaakt om een handbediening voor wissels en locs aan te sluiten.

Persoonlijk vind ik dit niet nodig omdat het handiger is met de pc locs en wissels te bedienen.

De pc aansluiting is gebazeerd op een rs232 aansluiting. 

Met een RS232 naar usb convertor kun je dit ook aansluiten op een usb aansluiting op de pc.

LET echter op dat deze convertor een FTDI chip heeft. (anders kunnen er problemen ontstaan)


DE BOOSTER DIE DOOR MIJ WORDT GEBRUIKT VIND JE OOK OP MIJN WEB SITE KLIK OP DE KNOP DCC BOOSTER 4A .
HET ACK SIGNAAL IS EEN TERUGMELDING INDIEN JE BV EEN LOCDECODER PROGRAMMEERD.
VOOR HET PROGRAMMEREN VAN EEN LOCDECODER KUN JE HET BESTE HET GRATIS PROGRAMMA ROCRAIL GEBRUIKEN.

Je kunt voor het programeren van locdecoders ook de  Arduino gebruiken die staat hier op de site beschreven bij CAR SYSTEM

Hieronder het aangepaste schema met de downloads voor de nieuw ontworpen printplaat.


Op internet kun je eventueel nog andere AVR programmers vinden.
Je kunt ook met mijn programmer de zelfgebouwde PICKIT2 plus software van AVRdude Programmeren zie project programmer.

 

Hieronder onder het schema hoe de aansluiting moet worden gemaakt naar rs232 voor bv het programma koploper.

Hoe de rotary swicht aan te sluiten staat hiernaast

Hieronder een paar foto's hoe het eruit ziet als MDRRC en Booster samen in een klein kastje zijn ingebouwd.
Vermogen is ongeveer 4 ampere van de booster

De print van de MDRRC                                                                       De print van de BOOSTER

DCC Centrale
DCC Booster

De MDRRC en de BOOSTER samen in een kastje. op achterzijde aansluiting voor Main Track en Program Track

De Booster wordt gevoed met twee Stekkervoedingen van 19V 3,5 A elk.

Je kunt op de plus en de min aansluiting van de 19v voeding eventueel twee led's aansluiten denk aan de voorschakel weerstand. zie op de foto hierboven rechts de groene en rode led.

De MDRRC wordt gevoed met een stekkervoeding van 9v 1A.

De aansluiting naar de booster gaat van X4 naar x6 van de booster. pin 1 naar pin 1 enz.

Je kunt ook een aansluiting maken voor een eventuele extra booster met en rj12 connector hieronder staat de aansluiting.

Hierbij worden pin 1 en pin 2 van x4 niet aangesloten.

DOWNLOADS

Documentatie en software voor avr processor vind je bij de download mdrrc origineel zie boven.

Voor vragen mail mij zie contact pagina.

Tevens toegevoegd de gerber files om het printplaatje te laten maken.

Mdrrc Nieuw 2 Schema Pdf
PDF – 38,9 KB 22 downloads
Mdrrc Nieuw 2 Pcb Pdf
PDF – 61,0 KB 25 downloads
Gerber Mdrrc Nieuw 2 Zip
Gecomprimeerd bestand – 216,3 KB 19 downloads